
【Click to view larger image 】
Brand information
Name: Grade S Bow Shackle
Hits:
3689
Entry time: 2010-12-03 14:06:32
Details
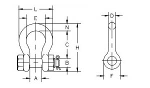
Grade S Bow Shackle With Safety Pin



Material: Body: Carbon Steel , Pin: Alloy Steel

Finishing: Hot Dip Galvanized

Heat treated: Tempered and Quenched

Minimun Utimate Strength: 6 Times The Working Load Limit.

Packing: Gunny Bag
|
ITEM
NO.
|
Nominal
Size
(in.)
|
Working
Load
Limit
(t)*
|
Stock No.
|
Weight
Each
(lbs.)
|
Dimensions (in.)
|
Tolerance
+/-
|
|
A
|
B
|
C
|
D
|
E
|
F
|
H
|
L
|
N
|
C
|
A
|
|
100551
|
3/16
|
1/3
|
1019464
|
.06
|
.38
|
.25
|
.88
|
.19
|
.60
|
.56
|
1.47
|
.98
|
.19
|
.06
|
.06
|
|
100552
|
1/4
|
1/2
|
1019466
|
.11
|
.47
|
.31
|
1.13
|
.25
|
.78
|
.61
|
1.84
|
1.28
|
.25
|
.06
|
.06
|
|
100553
|
5/16
|
3/4
|
1019468
|
.22
|
.53
|
.38
|
1.22
|
.31
|
.84
|
.75
|
2.09
|
1.47
|
.31
|
.06
|
.06
|
|
100554
|
3/8
|
1
|
1019470
|
.33
|
.66
|
.44
|
1.44
|
.38
|
1.03
|
.91
|
2.49
|
1.78
|
.38
|
.13
|
.06
|
|
100555
|
7/16
|
1-1/2
|
1019471
|
.49
|
.75
|
.50
|
1.69
|
.44
|
1.16
|
1.06
|
2.91
|
2.03
|
.44
|
.13
|
.06
|
|
100556
|
1/2
|
2
|
1019472
|
.79
|
.81
|
.64
|
1.88
|
.50
|
1.31
|
1.19
|
3.28
|
2.31
|
.50
|
.13
|
.06
|
|
100557
|
5/8
|
3-1/4
|
1019490
|
1.68
|
1.06
|
.77
|
2.38
|
.63
|
1.69
|
1.50
|
4.19
|
2.94
|
.69
|
.13
|
.06
|
|
100558
|
3/4
|
4-3/4
|
1019515
|
2.72
|
1.25
|
.89
|
2.81
|
.75
|
2.00
|
1.81
|
4.97
|
3.50
|
.81
|
.25
|
.06
|
|
100559
|
7/8
|
6-1/2
|
1019533
|
3.95
|
1.44
|
1.02
|
3.31
|
.88
|
2.28
|
2.09
|
5.83
|
4.03
|
.97
|
.25
|
.06
|
|
100560
|
1
|
8-1/2
|
1019551
|
5.66
|
1.69
|
1.15
|
3.75
|
1.00
|
2.69
|
2.38
|
6.56
|
4.69
|
1.06
|
.25
|
.06
|
|
100561
|
1-1/8
|
9-1/2
|
1019579
|
8.27
|
1.81
|
1.25
|
4.25
|
1.13
|
2.91
|
2.69
|
7.47
|
5.16
|
1.25
|
.25
|
.06
|
|
100562
|
1-1/4
|
12
|
1019597
|
11.71
|
2.03
|
1.40
|
4.69
|
1.29
|
3.25
|
3.00
|
8.25
|
5.75
|
1.38
|
.25
|
.06
|
|
100563
|
1-3/8
|
13-1/2
|
1019613
|
15.83
|
2.25
|
1.53
|
5.25
|
1.42
|
3.63
|
3.31
|
9.16
|
6.38
|
1.50
|
.25
|
.13
|
|
100564
|
1-1/2
|
17
|
1019631
|
20.80
|
2.38
|
1.66
|
5.75
|
1.53
|
3.88
|
3.63
|
10.00
|
6.88
|
1.62
|
.25
|
.13
|
|
100565
|
1-3/4
|
25
|
1019659
|
33.91
|
2.88
|
2.04
|
7.00
|
1.84
|
5.00
|
4.19
|
12.34
|
8.80
|
2.25
|
.25
|
.13
|
|
100566
|
2
|
35
|
1019677
|
52.25
|
3.25
|
2.30
|
7.75
|
2.08
|
5.75
|
4.81
|
13.68
|
10.15
|
2.40
|
.25
|
.13
|
|
100567
|
2-1/2
|
55
|
1019695
|
98.25
|
4.13
|
2.80
|
10.50
|
2.71
|
7.25
|
5.69
|
17.90
|
12.75
|
3.13
|
.25
|
.25
|
|
100568
|
3
|
?85
|
1019711
|
154.00
|
5.00
|
3.30
|
13.00
|
3.12
|
7.88
|
6.50
|
21.50
|
14.62
|
3.62
|
.25
|
.25
|
|
100569
|
3-1/2
|
1019739
|
265.00
|
5.25
|
3.76
|
14.63
|
3.62
|
9.00
|
8.00
|
24.88
|
17.02
|
4.38
|
.25
|
.25
|
|
100570
|
4
|
1019757
|
338.00
|
5.50
|
4.26
|
14.50
|
4.00
|
10.00
|
9.00
|
25.68
|
18.00
|
4.56
|
.25
|
.25
|
Hits:3689 Entry time:2010-12-03 14:06:32【Print】【Close window】