
【Click to view larger image 】
Brand information
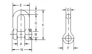
Name: Round Pin Chain Shackle
Hits:
3844
Entry time: 2010-12-23 17:41:55
Details



Material: Body: Carbon Steel , Pin: Alloy Steel

Finishing: Hot Dip Galvanized

Heat treated: Tempered and Quenched

Minimun Utimate Strength: 6 Times The Working Load Limit.

Packing: Gunny Bag
|
|
NominalSize(in.)
|
WorkingLoadLimit(t)*
|
WeightEach(lbs.)
|
Dimensions (in.)
|
Tolerance+/-
|
|
A
|
B
|
C
|
D
|
E
|
F
|
G
|
K
|
N
|
G
|
A
|
|
|
1/4
|
1/2
|
.10
|
.47
|
.31
|
.25
|
.25
|
.97
|
.62
|
.91
|
1.59
|
1.34
|
.06
|
.06
|
|
|
5/16
|
3/4
|
.18
|
.53
|
.38
|
.31
|
.31
|
1.15
|
.75
|
1.07
|
1.91
|
1.63
|
.06
|
.06
|
|
|
3/8
|
1
|
.25
|
.66
|
.44
|
.38
|
.38
|
1.42
|
.92
|
1.28
|
2.31
|
1.86
|
.13
|
.06
|
|
|
7/16
|
1-1/2
|
.40
|
.75
|
.50
|
.44
|
.44
|
1.63
|
1.06
|
1.44
|
2.67
|
2.13
|
.13
|
.06
|
|
|
1/2
|
2
|
.50
|
.81
|
.63
|
.50
|
.50
|
1.81
|
1.18
|
1.66
|
3.03
|
2.38
|
.13
|
.06
|
|
|
5/8
|
3-1/4
|
1.21
|
1.06
|
.75
|
.63
|
.63
|
2.32
|
1.50
|
2.04
|
3.76
|
2.91
|
.13
|
.06
|
|
|
3/4
|
4-3/4
|
2.00
|
1.25
|
.88
|
.81
|
.75
|
2.75
|
1.81
|
2.40
|
4.53
|
3.44
|
.25
|
.06
|
|
|
7/8
|
6-1/2
|
3.28
|
1.44
|
1.00
|
.97
|
.88
|
3.20
|
2.10
|
2.86
|
5.33
|
3.81
|
.25
|
.06
|
|
|
1
|
8-1/2
|
4.75
|
1.69
|
1.13
|
1.00
|
1.00
|
3.69
|
2.38
|
3.24
|
5.94
|
4.53
|
.25
|
.06
|
|
|
1-1/8
|
9-1/2
|
6.30
|
1.81
|
1.25
|
1.25
|
1.13
|
4.07
|
2.68
|
3.61
|
6.78
|
5.13
|
.25
|
.06
|
|
|
1-1/4
|
12
|
9.00
|
2.03
|
1.38
|
1.38
|
1.25
|
4.53
|
3.00
|
3.97
|
7.50
|
5.50
|
.25
|
.13
|
|
|
1-3/8
|
13-1/2
|
12.00
|
2.25
|
1.50
|
1.50
|
1.38
|
5.01
|
3.31
|
4.43
|
8.28
|
6.13
|
.25
|
.13
|
|
|
1-1/2
|
17
|
16.15
|
2.38
|
1.63
|
1.62
|
1.50
|
5.38
|
3.62
|
4.87
|
9.05
|
6.50
|
.25
|
.13
|
|
|
1-3/4
|
25
|
29.96
|
2.88
|
2.00
|
2.12
|
1.75
|
6.38
|
4.19
|
5.82
|
10.97
|
7.75
|
.25
|
.13
|
|
|
2
|
35
|
43.25
|
3.25
|
2.25
|
2.36
|
2.10
|
7.25
|
5.00
|
6.82
|
12.74
|
8.75
|
.25
|
.13
|
Hits:3844 Entry time:2010-12-23 17:41:55【Print】【Close window】